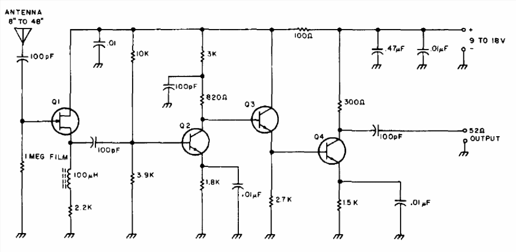
This circuit was obtained in a manual for radio amateurs from 1975. It is a circuit that allows the use of a telescopic antenna with receivers in the range of 3 to 30 MHz with excellent gain. The FET can be BF245 or MPF102 and the other transistors BF494.




