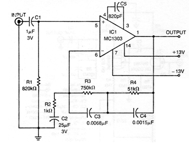
The operational amplifier used in this circuit is no longer very common, but the configuration can be adapted to use more modern operational amplifiers like the 741. The circuit requires a symmetrical source and has low consumption. We found this circuit in a publication from the 70s. The signal cables must be shielded, and the source must have excellent filtering.




