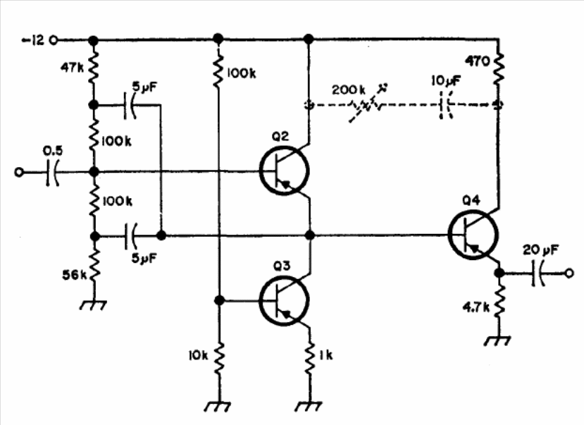
With this circuit, signals from 10 Hz to 220 Hz can be amplified with an input impedance of 10 M ohms. The circuit is from a 1974 publication, and current broadband transistors must be used, since the 2N2188 indicated in the original circuit is not easily obtained in the current component market. Capacitors and resistors with unusual values can be approximated to current standards.




