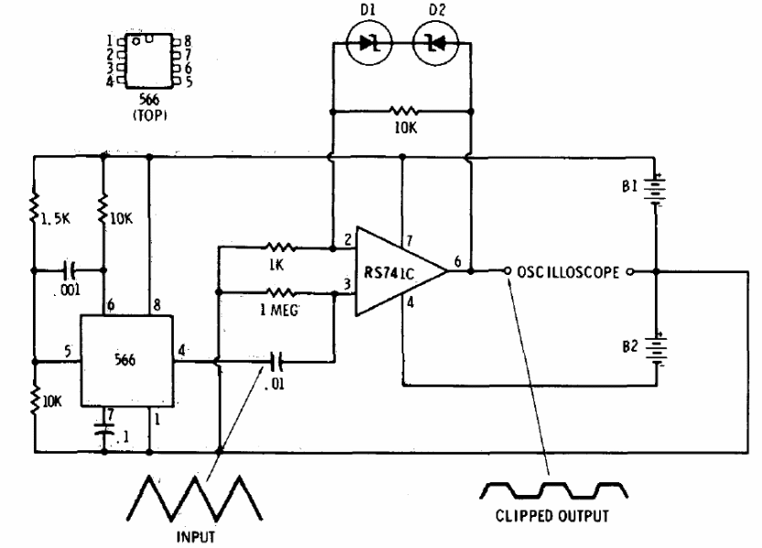
This circuit cuts a rectangular signal, and a trapezoidal signal is obtained. The circuit is from a 1977 Radio Shack manual. The zener diodes in the 741's feedback determine the clipping or clipping point of the circuit. The symmetrical source can be formed by two 6 or 9 V batteries. A source can also be used. The frequency depends on the 555.




