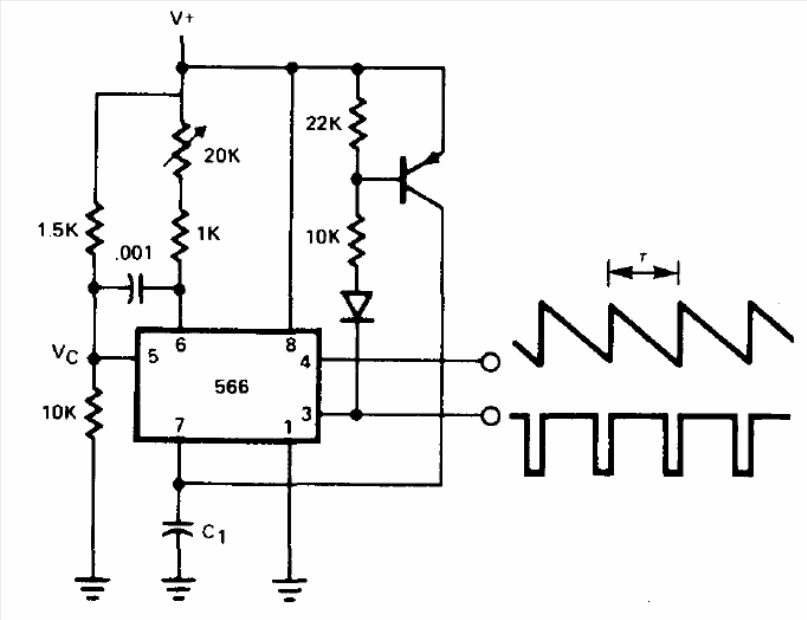
The 566 is a double 555. This circuit, found in a 1977 Signetics manual, generates a ramp whose period is given approximately by RC. The circuit can be powered by voltages from 5 to 12 V and the transistor can be a BC558. Components of non-standard values can be approximated to the most common current values.




