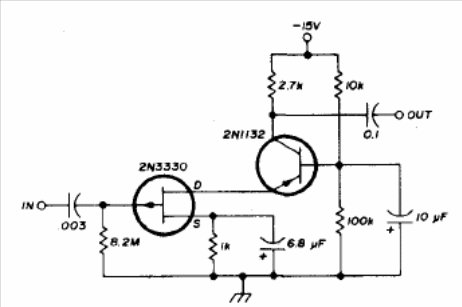
This circuit is from a 1976 technical documentation, providing a high input impedance with low output impedance for low intensity signals. The FET can be BF245 and the bipolar BC558. Observe the polarity of the supply that has a positive to earth. The circuit is suitable for applications with tuned audio and video signals.




