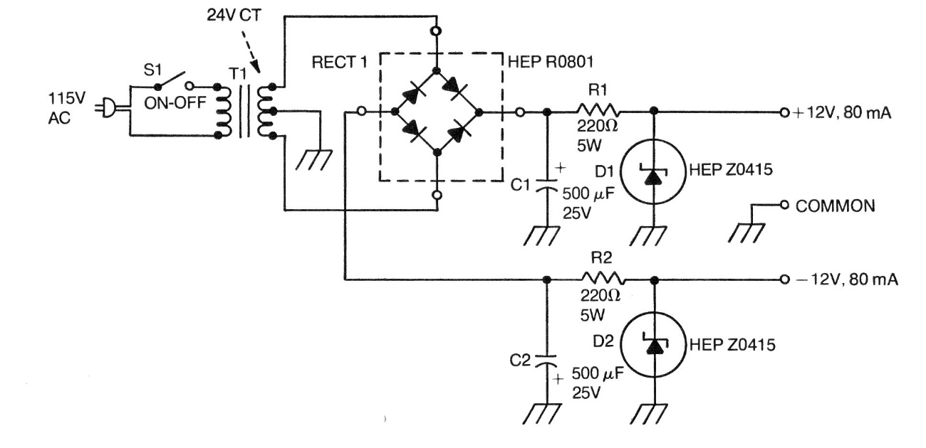
We found this circuit in a 1976 technical documentation, but it can be assembled with modern components, especially the zener which can be any type of 12 V x 1 W. In fact, we can also use 6 or 9 V zeners if we want to change the output voltage. The bridge diodes can be 1N4002 and the transformer has a secondary of 12 + 12 V with current from 200 mA.




