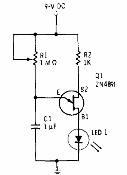
This configuration, well known, was obtained in a publication in 1976. The unijunction transistor can be 2N2646 and LED of any type. The power can be between 9 and 15 V.

This configuration, well known, was obtained in a publication in 1976. The unijunction transistor can be 2N2646 and LED of any type. The power can be between 9 and 15 V.
