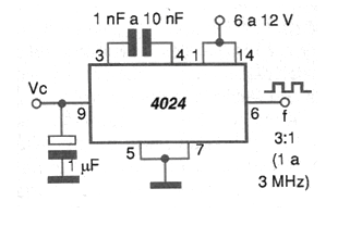
In the figure we show a voltage-controlled oscillator circuit based on CMOS component. The basic frequency of this circuit depends on the capacitor and the supply voltage can typically be between 6 and 15 V. Note that lower values of supply voltage imply a smaller frequency range, as the control voltage must not exceed the supply voltage. The signal produced is rectangular with amplitude equal to the supply voltage and the maximum frequency generated will not exceed a few megahertz. For the component values indicated with a 1 nF capacitor, the frequency range with 9 V supply and control voltage from 0 to 9 V ranges from 1 to 3 MHz.




