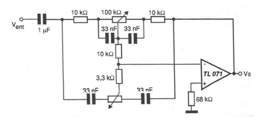
Tone controls for audio applications can also be considered filters that must attenuate certain frequency bands or reinforce them, depending on the reproduction. The circuit shown in the figure is suggested by Motorola in its Linear and Interface Integrated Circuits using an operational amplifier with FET at the TL071 input. This operational amplifier is also manufactured by Texas Instruments, among others, and there is a dual version for an application in a stereo system. The attenuation at 20 Hz for bass control is - 20 dB and the boost for treble is + 19 dB at 20 kHz. The transition frequency is 1 kHz. The bass and treble control potentiometers must be of the linear type. The power supply must be symmetrical (dual).




