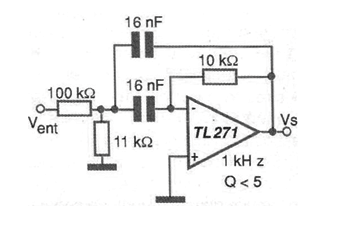
The circuit shown in the figure is suggested by Texas Instruments in its Linear Circuits Applications. It is a filter with a relatively low Q factor, less than 7. With the component values shown in the diagram, the tuned frequency is 1 kHz. Capacitors can be changed to tune to other frequencies. The values shown are components with low tolerances. If the application permits, commercial values may be used. The power supply is symmetrical and operational equivalent, with field effect transistors at the input can be used.




