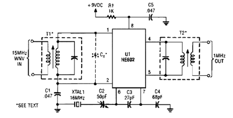
This converter for WWV time reference station signals was found at Popular Electronics. The 15 MHz signals are now received on a medium wave radio at 1 MHz.
This is one of the first games that came out in the 70s. This one is from a Radio Electronics...
Originally the circuit in the figure is indicated by National for the control of an electronic car injection...
This circuit was found in a 1966 publication. Its purpose is to identify high voltages by lighting a...