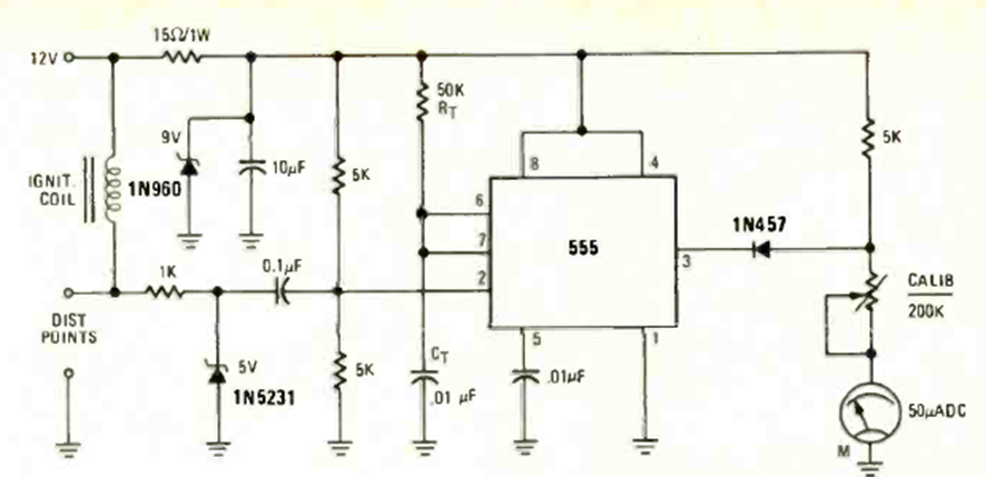
Another of the many tachometer circuits we have on our site. This one is from the September 1976 Radio Elecronics magazine. The circuit is connected to the platinum contacts of a car or to a sensor.
This pulse width modulator is from the SGS Integrated Circuits Manual 1982, the operational can be...
We found this circuit in a publication from the 1970s. The circuit detects when the pulse duration is...
This circuit using current components was found in an old documentation. It is a sequential circuit...