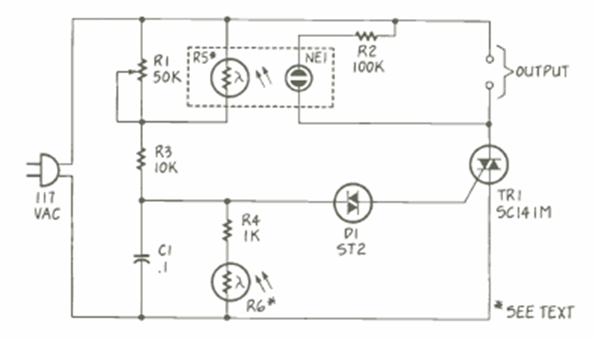
This circuit controls an external light that turns on at dusk and off in the morning. The circuit is from a Radio Electronics from October 1987.
The circuit shown is suggested by National Semiconductor in its 1994 Linear Applications Handbook. We...
The ZN416E integrated circuit is uncommon today. It consists of a complete radio, like the one...
In the figure we show how to implement a voltage reference with the ON Semiconductor rail-to-rail...