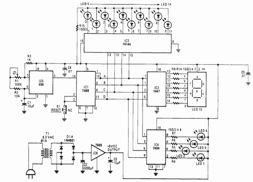
This is a device for those who need to show that they know how to use digital electronics but have no idea what to do. The device simply flashes LEDs and activates a display. The circuit is from a Radio Electronics Special projects from 1980.
This is a device for those who need to show that they know how to use digital electronics but have no idea what to do. The device simply flashes LEDs and activates a display. The circuit is from a Radio Electronics Special projects from 1980.