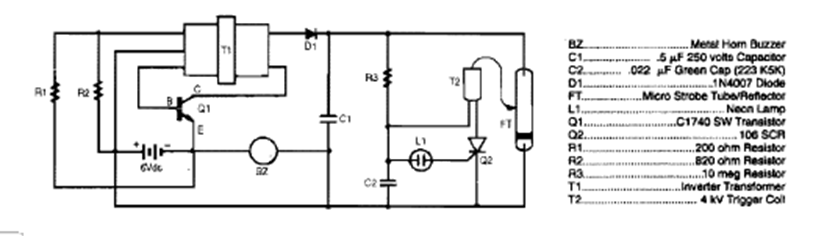
Found in the Encyclopedia of Electronic Circuits volume 5 from 1995, this circuit uses a transformer. The circuit feeds a transformer that produces 200 V for a xenon lamp.
The circuit shown is suggested by National Semiconductor in its 1994 Linear Applications Handbook. We...
The ZN416E integrated circuit is uncommon today. It consists of a complete radio, like the one...
In the figure we show how to implement a voltage reference with the ON Semiconductor rail-to-rail...