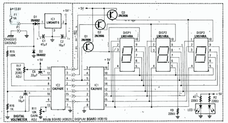
This 3-digit circuit was found in the 1992 special edition of the Radio Electronics Handbook. The circuit produces a standard voltage for bench testing.
This circuit was found in documentation from 1977. Its purpose is to diode-switch the frequency of a VFO....
This circuit is from a 1974 Ferranti transistor manual. The circuit is analog, and the components used...
Found in a 90s Popular Electronics, this circuit generates high voltage for radiation detecting...