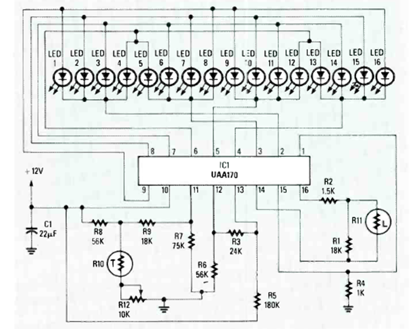
Other versions exist on this site from various publications. This one is from the Radio Electronics Experimenter from 1990. The bargraph circuit uses the UAA170.
This circuit was found in documentation from 1977. Its purpose is to diode-switch the frequency of a VFO....
This circuit is from a 1974 Ferranti transistor manual. The circuit is analog, and the components used...
Found in a 90s Popular Electronics, this circuit generates high voltage for radiation detecting...