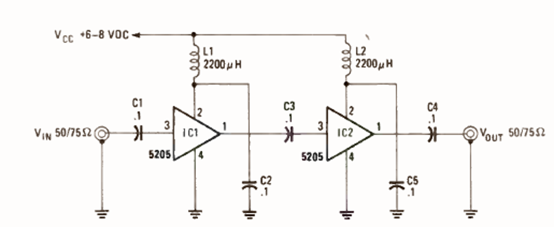
Using the NE5205 integrated circuit this circuit was found in the May 1987 issue of Radio Electronics magazine. It can amplify signals up to 450MHz.
The circuit shown is suggested by National Semiconductor in its 1994 Linear Applications Handbook. We...
The ZN416E integrated circuit is uncommon today. It consists of a complete radio, like the one...
In the figure we show how to implement a voltage reference with the ON Semiconductor rail-to-rail...