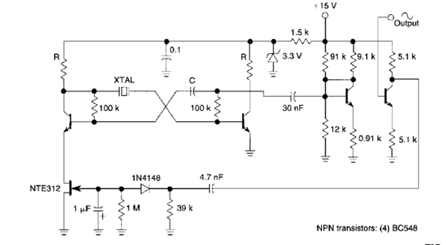
This low frequency oscillator circuit was found in an Electronic Design from the 90s. The transistors are common types, and the frequency is given by the crystal.
This circuit was found in documentation from 1977. Its purpose is to diode-switch the frequency of a VFO....
This circuit is from a 1974 Ferranti transistor manual. The circuit is analog, and the components used...
Found in a 90s Popular Electronics, this circuit generates high voltage for radiation detecting...