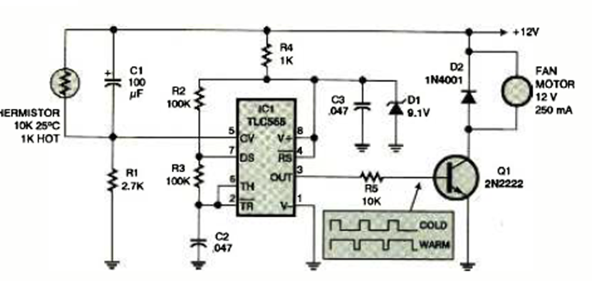
Found in the February 1997 Electronics Now magazine, this circuit controls motors according to the transistor used. For the transistor indicated, the maximum current is 200 mA.
The circuit shown is suggested by National Semiconductor in its 1994 Linear Applications Handbook. We...
The ZN416E integrated circuit is uncommon today. It consists of a complete radio, like the one...
In the figure we show how to implement a voltage reference with the ON Semiconductor rail-to-rail...