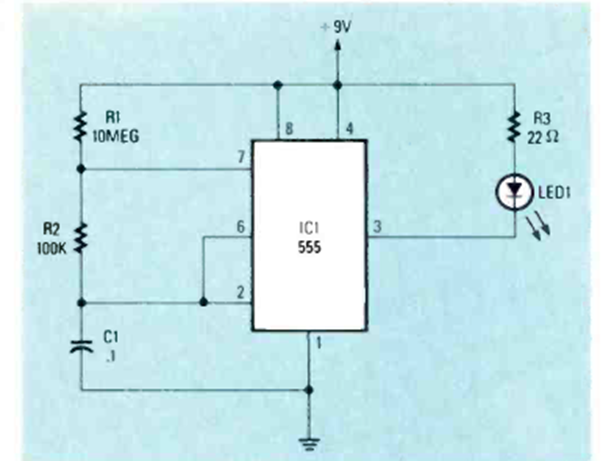
This simple switch appeared in an article to be made with SMD components. The magazine is Radio Electronics from November 1987. The circuit can operate with other voltages according to the LED and the application.

This simple switch appeared in an article to be made with SMD components. The magazine is Radio Electronics from November 1987. The circuit can operate with other voltages according to the LED and the application.
