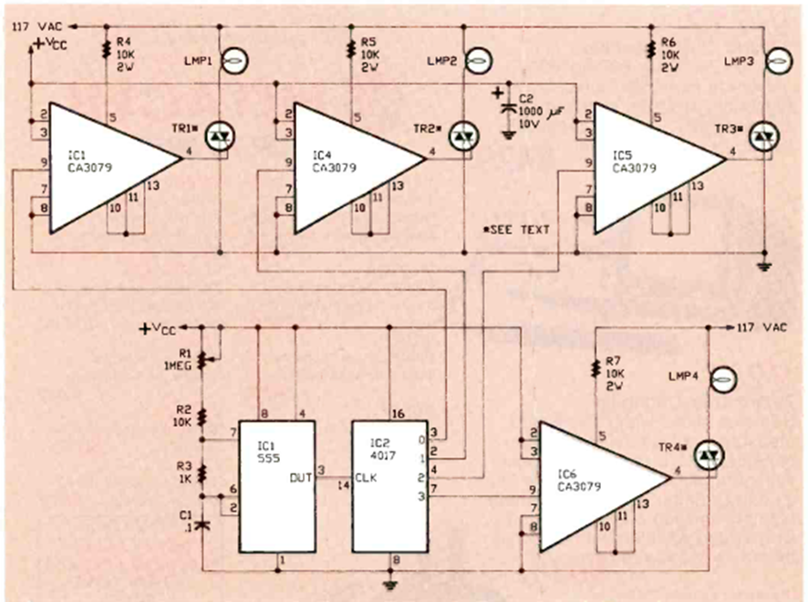
We found this circuit in the February 1987 issue of Radio Electronics magazine. It is based on an integrated RCA triac trigger available at the time. The circuit powers 4 incandescent lamps.
Two transistors on a regenerative switch are used to trigger a triac. This circuit is from the RCA...
This circuit uses a 555 (according to the diagram) to generate 50 ms tone bursts at a frequency of 1.5...
The radio presented was found in a 1980 documentation. It consists of 3 stages: the tuning circuit...