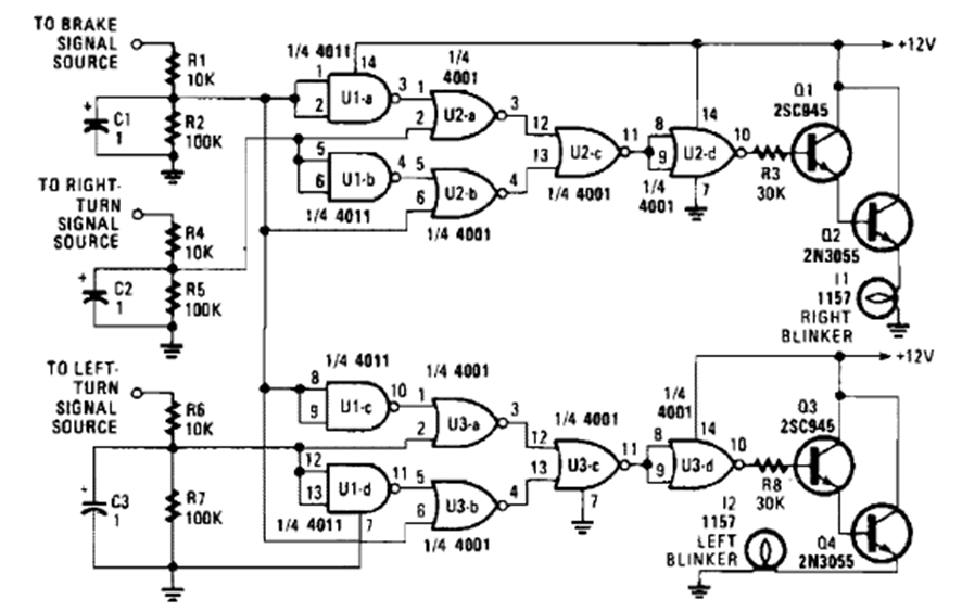
This circuit for cars of the time was found in a Popular Electronics magazine from the 90s. The circuit is based on CMOS logic that is common even today.
Two transistors on a regenerative switch are used to trigger a triac. This circuit is from the RCA...
This circuit uses a 555 (according to the diagram) to generate 50 ms tone bursts at a frequency of 1.5...
The radio presented was found in a 1980 documentation. It consists of 3 stages: the tuning circuit...