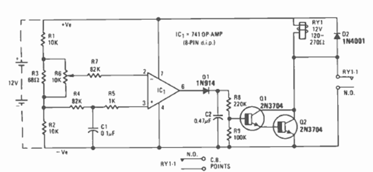
Indicated for alarm applications, this circuit was found in the December 1976 issue of Radio Electronics magazine. The circuit is for 12 V car applications.
Two transistors on a regenerative switch are used to trigger a triac. This circuit is from the RCA...
This circuit uses a 555 (according to the diagram) to generate 50 ms tone bursts at a frequency of 1.5...
The radio presented was found in a 1980 documentation. It consists of 3 stages: the tuning circuit...