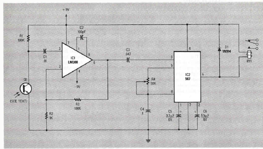
This circuit is the receiver for the transmitter from the previous project. We also found it in the Radio Electronics Experimenter magazine, 1989 issue.
The circuit shown is suggested by National Semiconductor in its 1994 Linear Applications Handbook. We...
The ZN416E integrated circuit is uncommon today. It consists of a complete radio, like the one...
In the figure we show how to implement a voltage reference with the ON Semiconductor rail-to-rail...