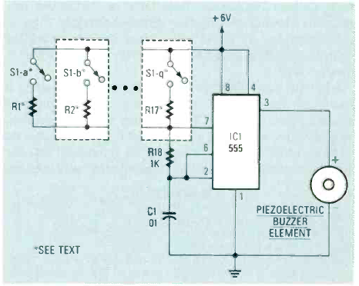
This interesting circuit for SMD assembly appeared in the November 1987 issue of Radio Electronics magazine. The phonons are generated by selected resistors that are fitted to the assembly.
The circuit shown is suggested by National Semiconductor in its 1994 Linear Applications Handbook. We...
The ZN416E integrated circuit is uncommon today. It consists of a complete radio, like the one...
In the figure we show how to implement a voltage reference with the ON Semiconductor rail-to-rail...