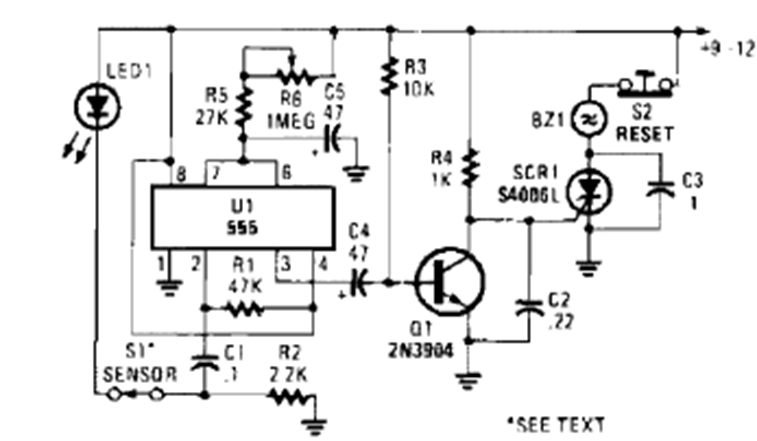
This 555-based circuit was obtained from the 1995 Encyclopedia of Electronic Circuits volume 5. It triggers an SCR when the transistor is cut off.
This circuit was originally recommended to operate with the emitter of the previous circuit but...
When the probes of this circuit meet water, the relay closes its contacts. The circuit is from a May...
The power supply shown can supply voltages of approximately 0 V to 12 V with a maximum current of 4.5 A,...