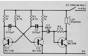
This circuit, from a 1974 publication, can be assembled with BC548 transistors. If powered with 6 or even 9 V, we can exchange TR3 for a BD135 for greater audio power and use an 8-ohm speaker. In the 4.5 V version, an 8-ohm speaker can also be used. See in the math section how to calculate C1 and C2 for the desired frequency.




