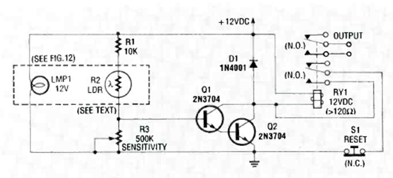
This circuit was found in the 1991 Electronics Experimenter's Handbook. It activates a relay when light shines on a sensor.
This circuit was originally recommended to operate with the emitter of the previous circuit but...
When the probes of this circuit meet water, the relay closes its contacts. The circuit is from a May...
The power supply shown can supply voltages of approximately 0 V to 12 V with a maximum current of 4.5 A,...