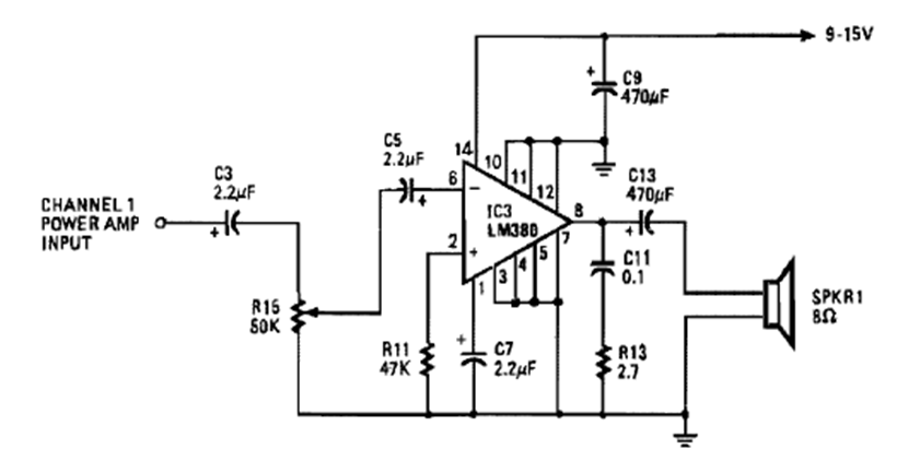
This is a channel of a stereo amplifier and small power with the LM386 suggested by the Radio Electronics Experimenters in the 1981 edition. The power of a few Watts.
This circuit decodes a 1800 Hz tone used in communications. The circuit is from an American...
These two circuits were found in Radio Electronics magazine from February 1960. The transistor is a power...
With the development and availability of small LCD screens for automotive use, especially in...