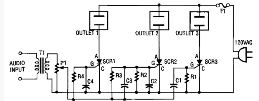
This circuit for incandescent lamps was found in a 1990s issue of Electronics Hobbyist magazine. The circuit uses common SCRs. P1 is 10k, R1, R2 and R3 are 4k7 and the capacitors are according to the frequencies that the circuit must respond to.
This circuit for incandescent lamps was found in a 1990s issue of Electronics Hobbyist magazine. The circuit uses common SCRs. P1 is 10k, R1, R2 and R3 are 4k7 and the capacitors are according to the frequencies that the circuit must respond to.