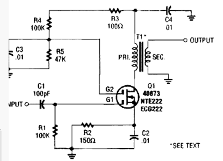
Found in a 1990s Popular Electronics, this circuit uses a small transformer matched to the impedance of the speaker being driven.
The basic idea of the circuit shown in the figure is to increase the brightness of an ordinary...
This sole beacon which has a battery charged by photocells was found in documentation from 1991....
Many oscilloscopes have high impedance inputs that make it difficult to observe high frequency signals...