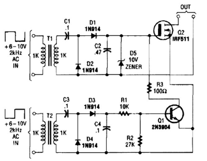
This circuit switches power loads with audio signals. The circuit is from a Popular Electronics from the 90s. The components can be changed depending on the signal used.
We found this function generator with two FET operators in a 1996 Texas Instruments application manual....
This circuit was obtained from an English magazine from 1979, but can be easily assembled today...
The integrated circuit used in this 2002 project is not very common. It is powered directly by the...