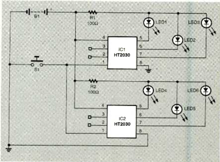
This circuit with two HT2030s powers 6 LEDs in a decorative flashing system. The circuit is from Electronics Now magazine, December 1997. The LEDs are fed in sequence.
April 2017 - Mouser Electronics already has the MAX4007 from Maxim Integrated in its inventory, an...
This experimental receiver works with alternative sources of energy or a single cell of any type....
This beacon causes an LED to flash with the mains voltage. The frequency depends on the capacitor. For...