This circuit was found in the October 1987 Radio Electronics magazine. The circuit is a PWM control with a 555. It appears that the 555 is missing a connection that would be pin 4.
We found this function generator with two FET operators in a 1996 Texas Instruments application manual....
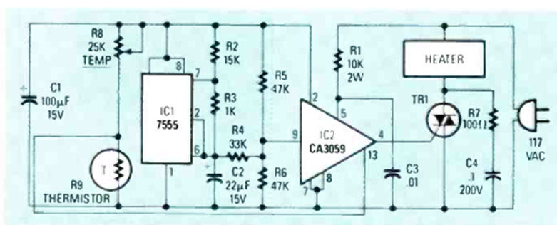
This circuit was obtained from an English magazine from 1979, but can be easily assembled today...
The integrated circuit used in this 2002 project is not very common. It is powered directly by the...