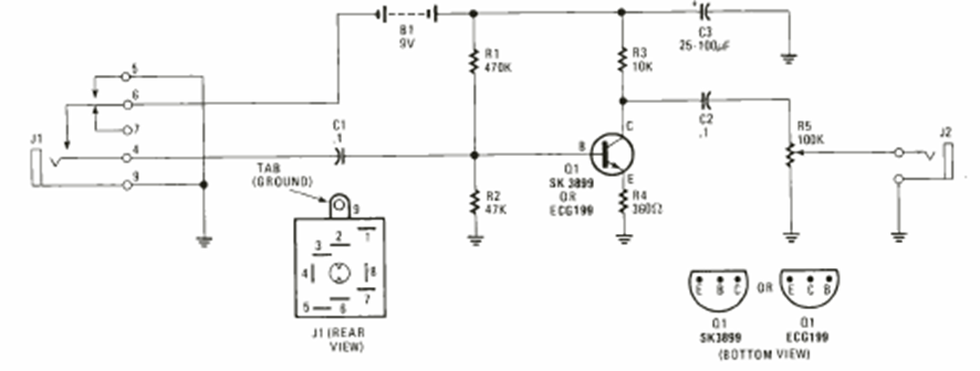
We found this circuit in Radio Electronics Special Projects from 1992. The circuit turns on the power when the microphone plug is inserted into the input jack.
We found this function generator with two FET operators in a 1996 Texas Instruments application manual....
This circuit was obtained from an English magazine from 1979, but can be easily assembled today...
The integrated circuit used in this 2002 project is not very common. It is powered directly by the...