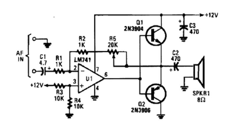
Found in a 1990s Popular Electronics, this circuit uses two transistors to boost the power of a 741 with audio signals. The power depends on the transistors used, which can be general-purpose types.
This circuit decodes a 1800 Hz tone used in communications. The circuit is from an American...
These two circuits were found in Radio Electronics magazine from February 1960. The transistor is a power...
With the development and availability of small LCD screens for automotive use, especially in...