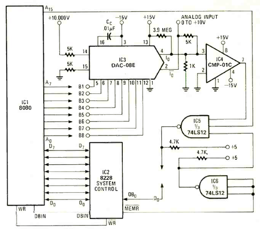
The figure shows how to use an 8080 in a digital to analog converter. The circuit is from a Radio Electronics from February 1978. The other components are from that time, except for the TTL.
With a coil formed by 7 turns of 26 AWG wire this circuit operates in the 27 MHz range. But you...
The circuit shown is a commercial electronic voltmeter sold in Japan in the 1960s. The circuit is fully...
This amplifier for recording heads was found in a Radio Electronics from September 1963. The...