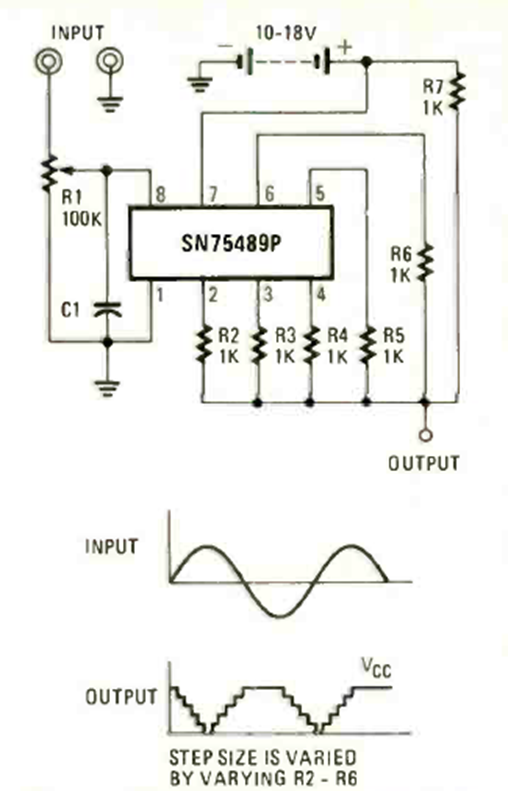
This circuit was found in the June 1978 issue of Radio Electronics magazine. The circuit is powered by voltages from 10 to 18 V. The integrated circuit is from Texas Instruments.

This circuit was found in the June 1978 issue of Radio Electronics magazine. The circuit is powered by voltages from 10 to 18 V. The integrated circuit is from Texas Instruments.
