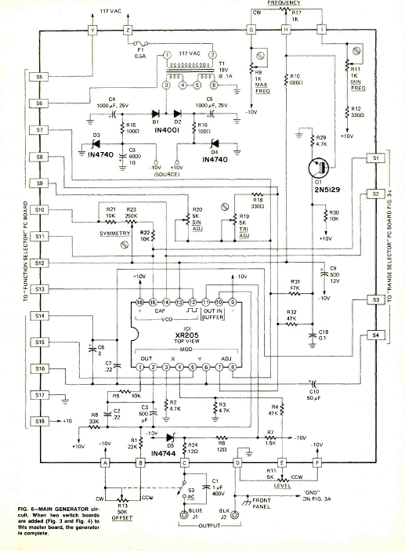
This sophisticated function generator circuit appeared in the September 1972 issue of Radio Electronics magazine. The circuit includes mains power supply.
This circuit was taken from Maxim documentation from the 1990s. It can be implemented on the basis...
This circuit allows linear brightness control of an LED from an input voltage. The power supply must...
This circuit is from a Hands-On Electronics from 1987, but it can still be easily assembled, as...