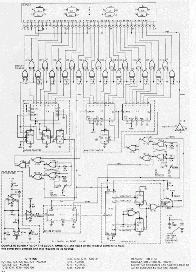
This CMOS logic-based circuit was found in the April 1974 issue of Radio Electronics magazine. The circuit is based on a period display and has hour and minute indications.
This capacitor for small capacitances is based on the tuning of a receiver circuit. The variable is...
This circuit is from the Motorola LinearDatabook of 1990. It shows how it uses the LF355, 356 and...
We found this circuit in an American publication from 1977. Combining a monostable with a...