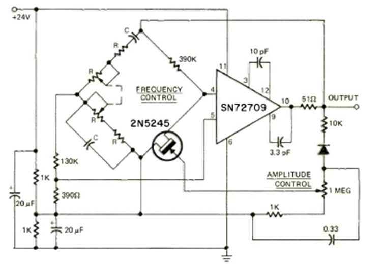
This Wien bridge oscillator circuit uses a Texas Instruments 709 amplifier. It was found in an article in the September 1972 issue of Radio Electronics magazine. It is powered by a 24 V voltage.
This is the traditional voltage follower configuration with the 741 operational amplifier. The...
S The purpose of this circuit, found in a 1975 publication, is to suppress the noise that occurs when...
In the figure we have the way to trigger a 7555 CMOS monostable with a positive pulse. The time...