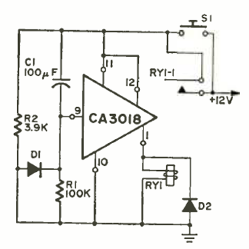
We found this circuit in a Radio Electronics issue from August 1970. The circuit drives a 12 V sensitive relay and the diodes are general purpose. The power supply is according to the relay.

We found this circuit in a Radio Electronics issue from August 1970. The circuit drives a 12 V sensitive relay and the diodes are general purpose. The power supply is according to the relay.
