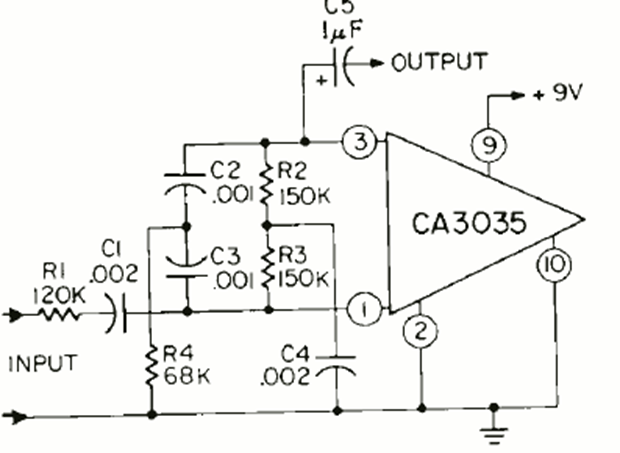
This circuit amplifies signals only in the frequency range determined by the double T. The circuit is from a Radio Electronics from February 1970. The integrated circuit is the CA3035 released by RCA at the time.

This circuit amplifies signals only in the frequency range determined by the double T. The circuit is from a Radio Electronics from February 1970. The integrated circuit is the CA3035 released by RCA at the time.
