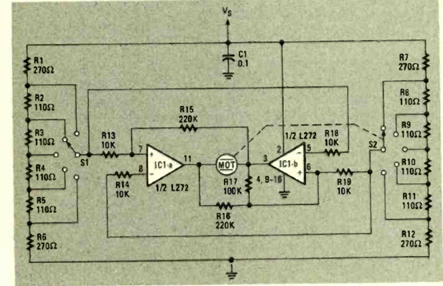
This circuit was found in December 1983 Radio Electronics magazine. The maximum output current is 1 A and the supply voltage ranges from 4 to 28 V.
This capacitor for small capacitances is based on the tuning of a receiver circuit. The variable is...
This circuit is from the Motorola LinearDatabook of 1990. It shows how it uses the LF355, 356 and...
We found this circuit in an American publication from 1977. Combining a monostable with a...