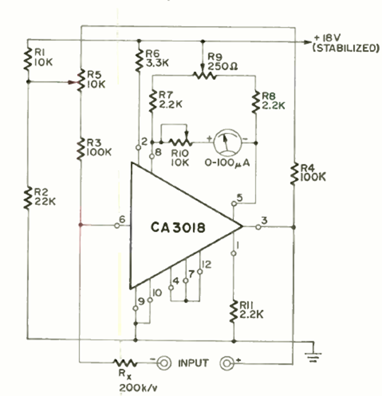
We found this sensitive high input impedance voltage amplifier in the November 1970 Radio Electronics magazine. The circuit is powered by 18 V power source.
This capacitor for small capacitances is based on the tuning of a receiver circuit. The variable is...
This circuit is from the Motorola LinearDatabook of 1990. It shows how it uses the LF355, 356 and...
We found this circuit in an American publication from 1977. Combining a monostable with a...