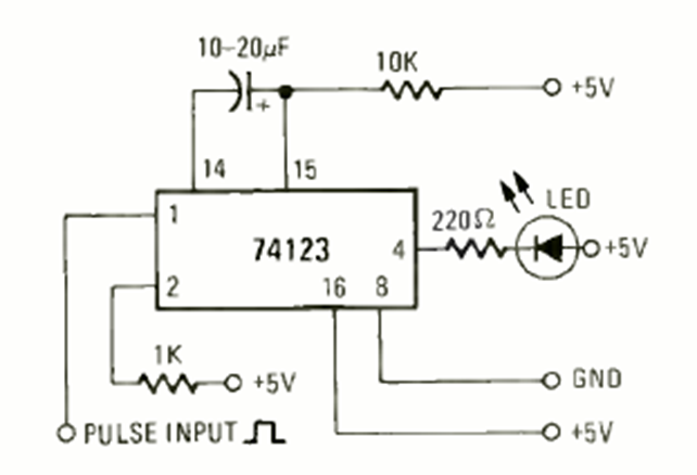
Using a 74123 TTL this circuit was found in the Radio Elecronics magazine of June 1975. The power supply must be 5 V. The capacitor determines the activation time.
This circuit was obtained from an old American documentation having a limited adjustment range....
The movement of the LEDs in this circuit mimics the back-and-forth movement of a pendulum, making it...
This circuit is from a 1967 documentation. It makes use of varicap and diode tunnel in addition to...