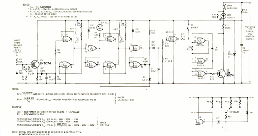
We found this circuit in a Radio Electronics from October 1976. The components are still common, but the circuit applies to older car models with contact breaker ignition.
This circuit was obtained from an old American documentation having a limited adjustment range....
The movement of the LEDs in this circuit mimics the back-and-forth movement of a pendulum, making it...
This circuit is from a 1967 documentation. It makes use of varicap and diode tunnel in addition to...