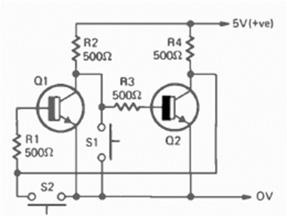
This circuit was found in the September 1974 issue of Radio Electronics magazine. The circuit uses general purpose transistors and can be used for CMOS triggering.

This circuit was found in the September 1974 issue of Radio Electronics magazine. The circuit uses general purpose transistors and can be used for CMOS triggering.
